来电显示多功能电话机套件是目前世界上最先进的微电脑控制技术,集来电显示和多功能电话机一体。本产品各项指标均符合国家标准。根据不同客户需求,本套件所有元器件是从工厂拿货过来的,然后本站自行配成一套一套的,并且,原理图、清单,制作资料说明,都是本站整理配备的。所以此是电话机时很成熟的产品,欢迎有需求者制作学习。
主要功能:
1、FSK/DTMF多制式兼容 7、在忘记或挂机不好时自动收线
2、来电、去电号码解查、回拨 8、挂机预拨号、改错功能
3、五级显示亮度调节功能 9、时钟显示及通话时间自动计时
4、长途锁控功能 10、全免提拨号通话及免提音量调节
5、电子万能年历、电子闹钟 11、四级铃声音量调节
6、16铃声及贵宾铃选择 12、防盗打、防雷击、防电磁干扰
来电显示及多功能电话机制作说明
一、熟悉电路原理图,尽量看懂各部分(元)件的作用。
二、按照材料表核对各元器件的数量和规格,必要时可用仪表来测量与核对。
三、安装:
1、装配、焊接元件到三块电路板上: 1显示组件板; 2主机板; 3按键板。
按照元件低到高开始装起,先装电阻、二极管、三极管、瓷片电容、涤纶电容、电解电容。
安装、焊接好全部元件,仔细检查一下各个部分,不能有连锡、虚焊或漏焊的。发现问题及时修正。

2、手柄部分:
手柄部分元件简单,注意咪头的正负极,红色接正,绿色接负极,两条长线黑色和黄色线接150Ω喇叭,150Ω喇叭不分正负极。
3、座机底壳部分:
1) 623K2C外线插座,外线插座已带两根线,红线接板上标注有TIP(跟D3负极接在同一点上)的位置,绿线接到标注有RING(跟D4负极接在同一点上)的位置;
2)连接616E4C听筒插座,听筒插座已带四根线,红线、黄线、绿线和黑线的接法。注意看下面的接线图;
3)焊喇叭线,喇叭用22CM白色2根,喇叭线可以不分正负;
4)显示屏控制板和主板还要焊一条黑色线连起来,给电源指示灯供电。
5) 用13P排线将按键板和显示组件连起来,注意上面标注要对应,其中2条可以拆开直接焊在红色的发光二极管上,电源指示用;将指示灯要插到面壳的孔里面,这样指示灯就比较明显。11条接到按键板上。如下图所示
6)给液晶显示屏撕掉保护膜,给双面胶撕掉保护层,贴到显示屏上,然后把液晶显示屏放到面壳上,使其紧贴到位后再用板对齐螺丝孔,轻轻压下去,让双面胶紧贴在液晶显示屏和控制板之间,打好螺丝。注意显示屏的板一边是用铁片定位的,跟喇叭的铁片一样。

7)装喇叭,喇叭放好后,用固定压片压好打上螺丝。请注意,本站用的是上面的这种压片,跟其它图片的不一样。请看上图所示
8)装摘机传动键→给面壳上相应位置放上22个按钮,再对齐放好1块导电胶,把面壳反放到桌面,注意不要让按键掉出来,放上按键板打好螺丝。如图所示:

9)在显示组件的另一头焊好18P*140MM排线,另一端焊接到主板上。板上标注有多出一个接线位置,显示屏控制板上是LED+的位置不装,主板上是 靠着Q4 边的脚不装,注意不要接错。
10)4P*60MM排排线接一端接开关,一端插到主板上,注意位置要接对。并用螺丝固定好电路板在底壳上。
11)将外线插座和听筒插座装到底壳相应位置固定好。

4、测试总装:
(1) 合拢机壳上、下部分。
(2) 用曲线一端插入座机旁边的插座,另一端插入手柄的插座。
(3) 用两芯直线插入外线插座,另一端叉头与市话网连接。
(4) 提起手柄或按免提键,测试拨号,接听,振铃声,话筒发话,听筒喇叭发音等各个功能,都正常后既可打上螺丝固定。有关功能详细说明请看说明书。
成品如下图所示:

尺寸大小如下图所示:

元件清单如下图所示:

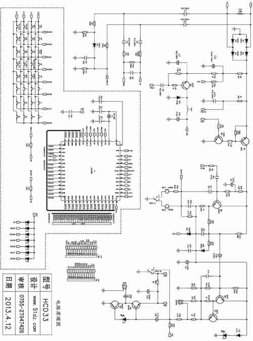
原理图如下:

套件详细资料:印刷电路板,原理图,元件清单,元件,制作说明、外壳等等。
制作安装资料下载:
 |
大电话机安装步骤33.pdf |
946.55KB |
点击下载 |
查看和发表评论 管理员一般会在8-48小时内回复,会删除无意义的留言以及重复留言,请保证留言标题清晰,内容明确! 1、评论不代表本站观点。 另外,即使是本站原创作品,本站也不保证内容绝对正确。 2、如果您拥有本文版权,并且不想在此处发表,请书面通知本站立即删除并且向您公开道歉! |