注意:访问本站需要Cookie和JavaScript支持!请设置您的浏览器! 打开购物车 查看留言付款方式联系我们
初中电子 单片机教材一 单片机教材二
搜索上次看见的商品或文章:
商品名、介绍 文章名、内容
首页 电子入门 学单片机 免费资源 下载中心 商品列表 象棋在线 在线绘图 加盟五一 加入收藏 设为首页
本站推荐:
29. 两点间温度控制
文章长度[] 加入时间[2008/5/30] 更新时间[2025/11/27 6:07:02] 级别[0] [评论] [收藏]
 
1. 实验任务
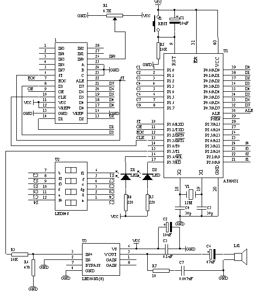
用可调电阻调节电压值作为模拟温度的输入量,当温度低于30℃时,发出长嘀报警声和光报警,当温度高于60℃时,发出短嘀报警声和光报警。测量的温度范围在0-99℃。
2. 电路原理图
图4.29.1
3. 系统板上硬件连线
a)         把“单片机系统”区域中的P1.0-P1.7与“动态数码显示”区域中的ABCDEFGH端口用8芯排线连接。
b)        把“单片机系统”区域中的P2.0-P2.7与“动态数码显示”区域中的S1S2S3S4S5S6S7S8端口用8芯排线连接。
c)        把“单片机系统”区域中的P3.0与“模数转换模块”区域中的ST端子用导线相连接。
d)        把“单片机系统”区域中的P3.1与“模数转换模块”区域中的OE端子用导线相连接。
e)         把“单片机系统”区域中的P3.2与“模数转换模块”区域中的EOC端子用导线相连接。
f)         把“单片机系统”区域中的P3.3与“模数转换模块”区域中的CLK端子用导线相连接。
g)        把“模数转换模块”区域中的A2A1A0端子用导线连接到“电源模块”区域中的GND端子上。
h)        把“模数转换模块”区域中的IN0端子用导线连接到“三路可调电压模块”区域中的VR1端子上。
i)          把“单片机系统”区域中的P0.0-P0.7用8芯排线连接到“模数转换模块”区域中的D0D1D2D3D4D5D6D7端子上。
j)          把“单片机系统”区域中的P3.6、P3.7用导线分别连接到“八路发光二极管指示模块”区域中的L1、L2上。
k)        把“单片机系统”区域中的P3.5用导线连接到“音频放大模块”区域中的SPK IN端口上。
l)          把“音频放大模块“区域中的SPK OUT插入音频喇叭。
4.  汇编源程序
(略)
5.C语言源程序
#include <AT89X52.H>
unsigned char code dispbitcode[]={0xfe,0xfd,0xfb,0xf7,
                                  0xef,0xdf,0xbf,0x7f};
unsigned char code dispcode[]={0x3f,0x06,0x5b,0x4f,0x66,
                               0x6d,0x7d,0x07,0x7f,0x6f,0x00};
unsigned char dispbuf[8]={10,10,10,10,10,10,0,0};
unsigned char dispcount;
unsigned char getdata;
unsigned int temp;
unsigned char i;
sbit ST=P3^0;
sbit OE=P3^1;
sbit EOC=P3^2;
sbit CLK=P3^3;
sbit LED1=P3^6;
sbit LED2=P3^7;
sbit SPK=P3^5;
bit lowflag;
bit highflag;
unsigned int cnta;
unsigned int cntb;
bit alarmflag;
void main(void)
{
  ST=0;
  OE=0;
  TMOD=0x12;
  TH0=0x216;
  TL0=0x216;
  TH1=(65536-500)/256;
  TL1=(65536-500)%256;
  TR1=1;
  TR0=1;
  ET0=1;
  ET1=1;
  EA=1;
  ST=1;
  ST=0;
  while(1)
    {
      if((lowflag==1) &&(highflag==0))
        {
          LED1=0;
          LED2=1;
        }
        else if((highflag==1) && (lowflag==0))
          {
            LED1=1;
            LED2=0;
          }
          else
            {
              LED1=1;
              LED2=1;
            }
    }
}
void t0(void) interrupt 1 using 0
{
  CLK=~CLK;
}
void t1(void) interrupt 3 using 0
{
  TH1=(65536-500)/256;
  TL1=(65536-500)%256;
       if(EOC==1)
         {
           OE=1;
           getdata=P0;
           OE=0;
           temp=getdata*25;
           temp=temp/64;
           i=6;
           dispbuf[0]=10;
           dispbuf[1]=10;
           dispbuf[2]=10;
           dispbuf[3]=10;
           dispbuf[4]=10;
           dispbuf[5]=10;
           dispbuf[6]=0;
           dispbuf[7]=0;
          while(temp/10)
            {
              dispbuf[i]=temp%10;
              temp=temp/10;
              i++;
            }
          dispbuf[i]=temp;         
           if(getdata<77)
             {
               lowflag=1;
               highflag=0;
             }
             else if(getdata>153)
               {
                 lowflag=0;
                 highflag=1;
               }
               else
                 {
                   lowflag=0;
                   highflag=0;
                 }
           ST=1;
           ST=0;
         }
  P1=dispcode[dispbuf[dispcount]];
  P2=dispbitcode[dispcount];
  dispcount++;
  if(dispcount==8)
    {
      dispcount=0;
    }
  if((lowflag==1) && (highflag==0))
    {
      cnta++;
      if(cnta==800)
        {
          cnta=0;
          alarmflag=~alarmflag;
        }
      if(alarmflag==1)
        {
          SPK=~SPK;
        }
    }
    else if((lowflag==0) && (highflag==1))
      {
      cntb++;
      if(cntb==400)
        {
          cntb=0;
          alarmflag=~alarmflag;
        }
      if(alarmflag==1)
        {
          SPK=~SPK;
        }       
      }
      else
        {
          alarmflag=0;
          cnta=0;
          cntb=0;
        }
1、 本站不保证以上观点正确,就算是本站原创作品,本站也不保证内容正确。
2、如果您拥有本文版权,并且不想在本站转载,请书面通知本站立即删除并且向您公开道歉! 以上可能是本站收集或者转载的文章,本站可能没有文章中的元件或产品,如果您需要类似的商品请 点这里查看商品列表!
本站协议 | 版权信息 |  关于我们 |  本站地图 |  营业执照 |  发票说明 |  付款方式 |  联系方式
深圳市宝安区西乡五壹电子商行——粤ICP备16073394号-1;地址:深圳西乡河西四坊183号;邮编:518102
E-mail:51dz$163.com($改为@);Tel:(0755)27947428
工作时间:9:30-12:00和13:30-17:30和18:30-20:30,无人接听时可以再打手机13537585389