| 注意:访问本站需要Cookie和JavaScript支持!请设置您的浏览器! • 打开购物车 • 查看留言 • 付款方式 • 联系我们 |
![]() |
| 首页 | 电子入门 | 学单片机 | 免费资源 | 下载中心 | 商品列表 | 象棋在线 | 在线绘图 | 加盟五一 | 加入收藏 | 设为首页 |
| 选择分类:当前分类——学单片机 相关联或者相类似的文章: 三十分钟一个小时学会单片机(9045) 什么是单片机?单片机有什么用? (8723) 如何用STC板将代码烧录进IC(8681) 怎样安装AT51编程板的USB转串口软件?(8206) 送给单片机爱好者——LED在线编码器(1814) 送给单片机爱好者——LED点阵在线编码器(1544) 单片机系统中的汉字显示(1492) 带语音报数功能的抢答器(1489) 用VB进行串口实时数据采集(1347) 用AT89C2051设计超声波测距仪(1171) 小小电子闹钟 生活学习良伴(1165) DS1820测温原理(1129) 几句代码实现控制摄像头(转)(1117) STC单片机选型指南(1111) 自制PIC单片机编程器(1105) USB转串口芯片CH340(1010) 快速学习单片机之黄金机会!(1010) 告戒购单片机开发实验板初学者(970) 新款实用旋转LED显示屏A(890) 使用市售 USB转RS232串口与PLC通信的测试报告 (881) 首页 前页 后页 尾页 本站推荐: | 22. 电子琴 1. 实验任务
(1. 由4X4组成16个按钮矩阵,设计成16个音。
(2. 可随意弹奏想要表达的音乐。
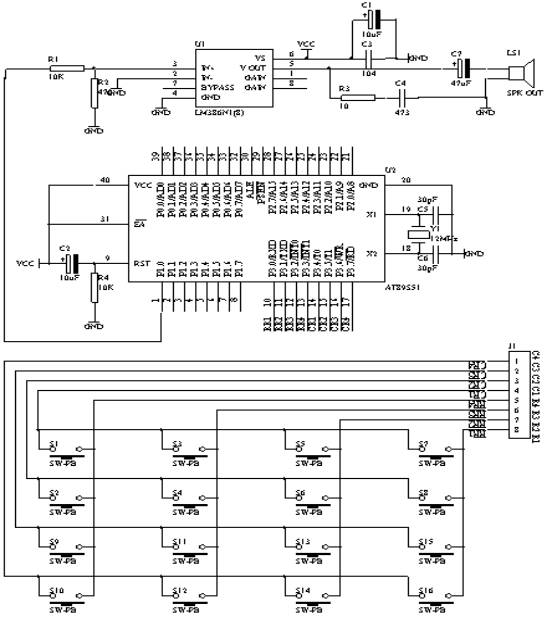
2. 电路原理图
![]() 图4.22.1
3. 系统板硬件连线
(1. 把“单片机系统”区域中的P1.0端口用导线连接到“音频放大模块”区域中的SPK IN端口上;
(2. 把“单片机系统“区域中的P3.0-P3.7端口用8芯排线连接到“4X4行列式键盘”区域中的C1-C4 R1-R4端口上;
4. 相关程序内容
(1. 4X4行列式键盘识别;
(2. 音乐产生的方法;
一首音乐是许多不同的音阶组成的,而每个音阶对应着不同的频率,这样我们就可以利用不同的频率的组合,即可构成我们所想要的音乐了,当然对于单片机来产生不同的频率非常方便,我们可以利用单片机的定时/计数器T0来产生这样方波频率信号,因此,我们只要把一首歌曲的音阶对应频率关系弄正确即可。现在以单片机12MHZ晶振为例,例出高中低音符与单片机计数T0相关的计数值如下表所示
下面我们要为这个音符建立一个表格,有助于单片机通过查表的方式来获得相应的数据
低音0-19之间,中音在20-39之间,高音在40-59之间
TABLE: DW 0,63628,63835,64021,64103,64260,64400,64524,0,0
DW 0,63731,63928,0,64185,64331,64463,0,0,0
DW 0,64580,64684,64777,64820,64898,64968,65030,0,0
DW 0,64633,64732,0,64860,64934,64994,0,0,0
DW 0,65058,65110,65157,65178,65217,65252,65283,0,0
DW 0,65085,65134,0,65198,65235,65268,0,0,0
DW 0
2、音乐的音拍,一个节拍为单位(C调)
对于不同的曲调我们也可以用单片机的另外一个定时/计数器来完成。
下面就用AT89S51单片机产生一首“生日快乐”歌曲来说明单片机如何产生的。
在这个程序中用到了两个定时/计数器来完成的。其中T0用来产生音符频率,T1用来产生音拍。
5. 程序框图
图4.22.2
6. 汇编源程序
KEYBUF EQU 30H
STH0 EQU 31H
STL0 EQU 32H
TEMP EQU 33H
ORG 00H
LJMP START
ORG 0BH
LJMP INT_T0
START: MOV TMOD,#01H
SETB ET0
SETB EA
WAIT:
MOV P3,#0FFH
CLR P3.4
MOV A,P3
ANL A,#0FH
XRL A,#0FH
JZ NOKEY1
LCALL DELY10MS
MOV A,P3
ANL A,#0FH
XRL A,#0FH
JZ NOKEY1
MOV A,P3
ANL A,#0FH
CJNE A,#0EH,NK1
MOV KEYBUF,#0
LJMP DK1
NK1: CJNE A,#0DH,NK2
MOV KEYBUF,#1
LJMP DK1
NK2: CJNE A,#0BH,NK3
MOV KEYBUF,#2
LJMP DK1
NK3: CJNE A,#07H,NK4
MOV KEYBUF,#3
LJMP DK1
NK4: NOP
DK1:
MOV A,KEYBUF
MOV DPTR,#TABLE
MOVC A,@A+DPTR
MOV P0,A
MOV A,KEYBUF
MOV B,#2
MUL AB
MOV TEMP,A
MOV DPTR,#TABLE1
MOVC A,@A+DPTR
MOV STH0,A
MOV TH0,A
INC TEMP
MOV A,TEMP
MOVC A,@A+DPTR
MOV STL0,A
MOV TL0,A
SETB TR0
DK1A: MOV A,P3
ANL A,#0FH
XRL A,#0FH
JNZ DK1A
CLR TR0
NOKEY1:
MOV P3,#0FFH
CLR P3.5
MOV A,P3
ANL A,#0FH
XRL A,#0FH
JZ NOKEY2
LCALL DELY10MS
MOV A,P3
ANL A,#0FH
XRL A,#0FH
JZ NOKEY2
MOV A,P3
ANL A,#0FH
CJNE A,#0EH,NK5
MOV KEYBUF,#4
LJMP DK2
NK5: CJNE A,#0DH,NK6
MOV KEYBUF,#5
LJMP DK2
NK6: CJNE A,#0BH,NK7
MOV KEYBUF,#6
LJMP DK2
NK7: CJNE A,#07H,NK8
MOV KEYBUF,#7
LJMP DK2
NK8: NOP
DK2:
MOV A,KEYBUF
MOV DPTR,#TABLE
MOVC A,@A+DPTR
MOV P0,A
MOV A,KEYBUF
MOV B,#2
MUL AB
MOV TEMP,A
MOV DPTR,#TABLE1
MOVC A,@A+DPTR
MOV STH0,A
MOV TH0,A
INC TEMP
MOV A,TEMP
MOVC A,@A+DPTR
MOV STL0,A
MOV TL0,A
SETB TR0
DK2A: MOV A,P3
ANL A,#0FH
XRL A,#0FH
JNZ DK2A
CLR TR0
NOKEY2:
MOV P3,#0FFH
CLR P3.6
MOV A,P3
ANL A,#0FH
XRL A,#0FH
JZ NOKEY3
LCALL DELY10MS
MOV A,P3
ANL A,#0FH
XRL A,#0FH
JZ NOKEY3
MOV A,P3
ANL A,#0FH
CJNE A,#0EH,NK9
MOV KEYBUF,#8
LJMP DK3
NK9: CJNE A,#0DH,NK10
MOV KEYBUF,#9
LJMP DK3
NK10: CJNE A,#0BH,NK11
MOV KEYBUF,#10
LJMP DK3
NK11: CJNE A,#07H,NK12
MOV KEYBUF,#11
LJMP DK3
NK12: NOP
DK3:
MOV A,KEYBUF
MOV DPTR,#TABLE
MOVC A,@A+DPTR
MOV P0,A
MOV A,KEYBUF
MOV B,#2
MUL AB
MOV TEMP,A
MOV DPTR,#TABLE1
MOVC A,@A+DPTR
MOV STH0,A
MOV TH0,A
INC TEMP
MOV A,TEMP
MOVC A,@A+DPTR
MOV STL0,A
MOV TL0,A
SETB TR0
DK3A: MOV A,P3
ANL A,#0FH
XRL A,#0FH
JNZ DK3A
CLR TR0
NOKEY3:
MOV P3,#0FFH
CLR P3.7
MOV A,P3
ANL A,#0FH
XRL A,#0FH
JZ NOKEY4
LCALL DELY10MS
MOV A,P3
ANL A,#0FH
XRL A,#0FH
JZ NOKEY4
MOV A,P3
ANL A,#0FH
CJNE A,#0EH,NK13
MOV KEYBUF,#12
LJMP DK4
NK13: CJNE A,#0DH,NK14
MOV KEYBUF,#13
LJMP DK4
NK14: CJNE A,#0BH,NK15
MOV KEYBUF,#14
LJMP DK4
NK15: CJNE A,#07H,NK16
MOV KEYBUF,#15
LJMP DK4
NK16: NOP
DK4:
MOV A,KEYBUF
MOV DPTR,#TABLE
MOVC A,@A+DPTR
MOV P0,A
MOV A,KEYBUF
MOV B,#2
MUL AB
MOV TEMP,A
MOV DPTR,#TABLE1
MOVC A,@A+DPTR
MOV STH0,A
MOV TH0,A
INC TEMP
MOV A,TEMP
MOVC A,@A+DPTR
MOV STL0,A
MOV TL0,A
SETB TR0
DK4A: MOV A,P3
ANL A,#0FH
XRL A,#0FH
JNZ DK4A
CLR TR0
NOKEY4:
LJMP WAIT
DELY10MS:
MOV R6,#10
D1: MOV R7,#248
DJNZ R7,$
DJNZ R6,D1
RET
INT_T0:
MOV TH0,STH0
MOV TL0,STL0
CPL P1.0
RETI
TABLE: DB 3FH,06H,5BH,4FH,66H,6DH,7DH,07H
DB 7FH,6FH,77H,7CH,39H,5EH,79H,71H
TABLE1: DW 64021,64103,64260,64400
DW 64524,64580,64684,64777
DW 64820,64898,64968,65030
DW 65058,65110,65157,65178
END
7. C语言源程序
#include <AT89X51.H>
unsigned char code table[]={0x3f,0x06,0x5b,0x4f,
0x66,0x6d,0x7d,0x07,
0x7f,0x6f,0x77,0x7c,
0x39,0x5e,0x79,0x71};
unsigned char temp;
unsigned char key;
unsigned char i,j;
unsigned char STH0;
unsigned char STL0;
unsigned int code tab[]={64021,64103,64260,64400,
64524,64580,64684,64777,
64820,64898,64968,65030,
65058,65110,65157,65178};
void main(void)
{
TMOD=0x01;
ET0=1;
EA=1;
while(1)
{
P3=0xff;
P3_4=0;
temp=P3;
temp=temp & 0x0f;
if (temp!=0x0f)
{
for(i=50;i>0;i--)
for(j=200;j>0;j--);
temp=P3;
temp=temp & 0x0f;
if (temp!=0x0f)
{
temp=P3;
temp=temp & 0x0f;
switch(temp)
{
case 0x0e:
key=0;
break;
case 0x0d:
key=1;
break;
case 0x0b:
key=2;
break;
case 0x07:
key=3;
break;
}
temp=P3;
P1_0=~P1_0;
P0=table[key];
STH0=tab[key]/256;
STL0=tab[key]%256;
TR0=1;
temp=temp & 0x0f;
while(temp!=0x0f)
{
temp=P3;
temp=temp & 0x0f;
}
TR0=0;
}
}
P3=0xff;
P3_5=0;
temp=P3;
temp=temp & 0x0f;
if (temp!=0x0f)
{
for(i=50;i>0;i--)
for(j=200;j>0;j--);
temp=P3;
temp=temp & 0x0f;
if (temp!=0x0f)
{
temp=P3;
temp=temp & 0x0f;
switch(temp)
{
case 0x0e:
key=4;
break;
case 0x0d:
key=5;
break;
case 0x0b:
key=6;
break;
case 0x07:
key=7;
break;
}
temp=P3;
P1_0=~P1_0;
P0=table[key];
STH0=tab[key]/256;
STL0=tab[key]%256;
TR0=1;
temp=temp & 0x0f;
while(temp!=0x0f)
{
temp=P3;
temp=temp & 0x0f;
}
TR0=0;
}
}
P3=0xff;
P3_6=0;
temp=P3;
temp=temp & 0x0f;
if (temp!=0x0f)
{
for(i=50;i>0;i--)
for(j=200;j>0;j--);
temp=P3;
temp=temp & 0x0f;
if (temp!=0x0f)
{
temp=P3;
temp=temp & 0x0f;
switch(temp)
{
case 0x0e:
key=8;
break;
case 0x0d:
key=9;
break;
case 0x0b:
key=10;
break;
case 0x07:
key=11;
break;
}
temp=P3;
P1_0=~P1_0;
P0=table[key];
STH0=tab[key]/256;
STL0=tab[key]%256;
TR0=1;
temp=temp & 0x0f;
while(temp!=0x0f)
{
temp=P3;
temp=temp & 0x0f;
}
TR0=0;
}
}
P3=0xff;
P3_7=0;
temp=P3;
temp=temp & 0x0f;
if (temp!=0x0f)
{
for(i=50;i>0;i--)
for(j=200;j>0;j--);
temp=P3;
temp=temp & 0x0f;
if (temp!=0x0f)
{
temp=P3;
temp=temp & 0x0f;
switch(temp)
&nbswitch(temp)
{
case 0x0e:
key=12;
break;
case 0x0d:
key=13;
break;
case 0x0b:
key=14;
break;
case 0x07:
key=15;
break;
}
temp=P3;
P1_0=~P1_0;
P0=table[key];
STH0=tab[key]/256;
STL0=tab[key]%256;
TR0=1;
temp=temp & 0x0f;
while(temp!=0x0f)
{
temp=P3;
temp=temp & 0x0f;
}
TR0=0;
}
}
}
}
void t0(void) interrupt 1 using 0
{
TH0=STH0;
TL0=STL0;
P1_0=~P1_0;
} sp; { case 0x0e:
key=12;
break;
case 0x0d:
key=13;
break;
case 0x0b:
key=14;
break;
case 0x07:
key=15;
break;
}
temp=P3;
P1_0=~P1_0;
P0=table[key];
STH0=tab[key]/256;
STL0=tab[key]%256;
TR0=1;
temp=temp & 0x0f;
while(temp!=0x0f)
{
temp=P3;
temp=temp & 0x0f;
}
TR0=0;
}
}
}
}
void t0(void) interrupt 1 using 0
{
TH0=STH0;
TL0=STL0;
P1_0=~P1_0;
} 1、 本站不保证以上观点正确,就算是本站原创作品,本站也不保证内容正确。 2、如果您拥有本文版权,并且不想在本站转载,请书面通知本站立即删除并且向您公开道歉! |
|
本站协议 |
版权信息 |
关于我们 |
本站地图 |
营业执照 |
发票说明 |
付款方式 |
联系方式
深圳市宝安区西乡五壹电子商行——粤ICP备16073394号-1;地址:深圳西乡河西四坊183号;邮编:518102 E-mail:51dz$163.com($改为@);Tel:(0755)27947428 工作时间:9:30-12:00和13:30-17:30和18:30-20:30,无人接听时可以再打手机13537585389 |