| 注意:访问本站需要Cookie和JavaScript支持!请设置您的浏览器! • 打开购物车 • 查看留言 • 付款方式 • 联系我们 |
![]() |
| 首页 | 电子入门 | 学单片机 | 免费资源 | 下载中心 | 商品列表 | 象棋在线 | 在线绘图 | 加盟五一 | 加入收藏 | 设为首页 |
| 选择分类:当前分类——学单片机 相关联或者相类似的文章: 电池的充电方法 (527) 印制电路板设计原则和抗干扰措施(527) BA1404立体声调频发射套件制作说明(526) 29. 两点间温度控制(526) 28. 数字电压表(526) BA1404立体声调频发射电路(526) 25. 点阵式LED“0-9”数字显示技术(526) 真存在“魔鬼三角”吗 (526) 20. 数字钟﹝★﹞(525) 点阵汉字显示原理 (524) 晶体管放大器是一种交流与直流共存的电路(524) 歪公司设招聘陷阱 今天收钱明天辞退(524) 超声波移动物体检测装置(523) 测判三极管的口诀(523) Mon51仿真器(523) 《弟子规》(523) 《新三字经》(522) 微型停电应急灯(522) 用TC9148遥控MCS-51单片机(521) 世界鸟类跑得最快的鸟(521) 首页 前页 后页 尾页 本站推荐: | 17. 99秒马表设计 1. 实验任务
(1. 开始时,显示“00”,第1次按下SP1后就开始计时。
(2. 第2次按SP1后,计时停止。
(3. 第3次按SP1后,计时归零。
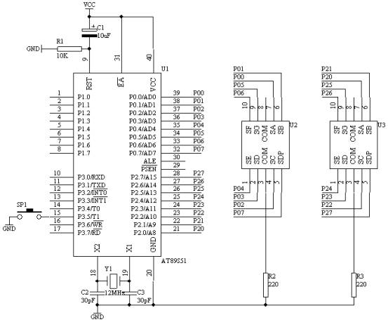
2. 电路原理图
![]() 图4.17.1
3. 系统板上硬件连线
(1. 把“单片机系统”区域中的P0.0/AD0-P0.7/AD7端口用8芯排线连接到“四路静态数码显示模块”区域中的任一个a-h端口上;要求:P0.0/AD0对应着a,P0.1/AD1对应着b,……,P0.7/AD7对应着h。
(2. 把“单片机系统”区域中的P2.0/A8-P2.7/A15端口用8芯排线连接到“四路静态数码显示模块”区域中的任一个a-h端口上;要求:P2.0/A8对应着a,P2.1/A9对应着b,……,P2.7/A15对应着h。
(3. 把“单片机系统“区域中的P3.5/T1用导线连接到”独立式键盘“区域中的SP1端口上;
4. 程序框
T0中断服务程序框
图4.17.2
5. 汇编源程序
TCNTA EQU 30H
TCNTB EQU 31H
SEC EQU 32H
KEYCNT EQU 33H
SP1 BIT P3.5
ORG 00H
LJMP START
ORG 0BH
LJMP INT_T0
START: MOV KEYCNT,#00H
MOV SEC,#00H
MOV A,SEC
MOV B,#10
DIV AB
MOV DPTR,#TABLE
MOVC A,@A+DPTR
MOV P0,A
MOV A,B
MOV DPTR,#TABLE
MOVC A,@A+DPTR
MOV P2,A
MOV TMOD,#02H
SETB ET0
SETB EA
WT: JB SP1,WT
LCALL DELY10MS
JB SP1,WT
INC KEYCNT
MOV A,KEYCNT
CJNE A,#01H,KN1
SETB TR0
MOV TH0,#06H
MOV TL0,#06H
MOV TCNTA,#00H
MOV TCNTB,#00H
LJMP DKN
KN1: CJNE A,#02H,KN2
CLR TR0
LJMP DKN
KN2: CJNE A,#03H,DKN
MOV SEC,#00H
MOV A,SEC
MOV B,#10
DIV AB
MOV DPTR,#TABLE
MOVC A,@A+DPTR
MOV P0,A
MOV A,B
MOV DPTR,#TABLE
MOVC A,@A+DPTR
MOV P2,A
MOV KEYCNT,#00H
DKN: JNB SP1,$
LJMP WT
DELY10MS:
MOV R6,#20
D1: MOV R7,#248
DJNZ R7,$
DJNZ R6,D1
RET
INT_T0:
INC TCNTA
MOV A,TCNTA
CJNE A,#100,NEXT
MOV TCNTA,#00H
INC TCNTB
MOV A,TCNTB
CJNE A,#4,NEXT
MOV TCNTB,#00H
INC SEC
MOV A,SEC
CJNE A,#100,DONE
MOV SEC,#00H
DONE: MOV A,SEC
MOV B,#10
DIV AB
MOV DPTR,#TABLE
MOVC A,@A+DPTR
MOV P0,A
MOV A,B
MOV DPTR,#TABLE
MOVC A,@A+DPTR
MOV P2,A
NEXT: RETI
TABLE: DB 3FH,06H,5BH,4FH,66H,6DH,7DH,07H,7FH,6FH
END
6. C语言源程序
#include <AT89X51.H>
unsigned char code dispcode[]={0x3f,0x06,0x5b,0x4f,
0x66,0x6d,0x7d,0x07,
0x7f,0x6f,0x77,0x7c,
0x39,0x5e,0x79,0x71,0x00};
unsigned char second;
unsigned char keycnt;
unsigned int tcnt;
void main(void)
{
unsigned char i,j;
TMOD=0x02;
ET0=1;
EA=1;
second=0;
P0=dispcode[second/10];
P2=dispcode[second%10];
while(1)
{
if(P3_5==0)
{
for(i=20;i>0;i--)
for(j=248;j>0;j--);
if(P3_5==0)
{
keycnt++;
switch(keycnt)
{
case 1:
TH0=0x06;
TL0=0x06;
TR0=1;
break;
case 2:
TR0=0;
break;
case 3:
keycnt=0;
second=0;
P0=dispcode[second/10];
P2=dispcode[second%10];
break;
}
while(P3_5==0);
}
}
}
}
void t0(void) interrupt 1 using 0
{
tcnt++;
if(tcnt==400)
{
tcnt=0;
second++;
if(second==100)
{
second=0;
}
P0=dispcode[second/10];
P2=dispcode[second%10];
}
} 1、 本站不保证以上观点正确,就算是本站原创作品,本站也不保证内容正确。 2、如果您拥有本文版权,并且不想在本站转载,请书面通知本站立即删除并且向您公开道歉! |
|
本站协议 |
版权信息 |
关于我们 |
本站地图 |
营业执照 |
发票说明 |
付款方式 |
联系方式
深圳市宝安区西乡五壹电子商行——粤ICP备16073394号-1;地址:深圳西乡河西四坊183号;邮编:518102 E-mail:51dz$163.com($改为@);Tel:(0755)27947428 工作时间:9:30-12:00和13:30-17:30和18:30-20:30,无人接听时可以再打手机13537585389 |