选择分类:当前分类——当前分类
本站推荐:
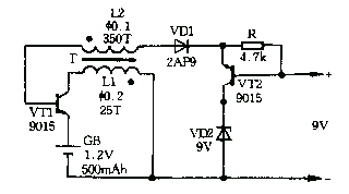
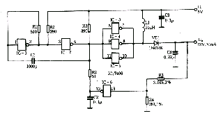
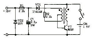
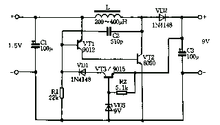
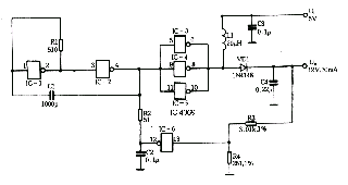
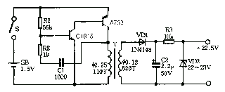
几种小型升压电路
文章长度[416] 加入时间[2007/2/2] 更新时间[2026/5/11 4:33:30] 级别[0] [评论] [收藏]

 

1、 本站不保证以上观点正确,就算是本站原创作品,本站也不保证内容正确。
2、如果您拥有本文版权,并且不想在本站转载,请书面通知本站立即删除并且向您公开道歉! 以上可能是本站收集或者转载的文章,本站可能没有文章中的元件或产品,如果您需要类似的商品请 点这里查看商品列表!